 |
濟南光宇主動化裝備無限公司 接洽人: 李司理 電 話: 86 0531 88060803
傳 真: 86 0531 88060864
地 址: 中華 蘭州 臨沂市 臨沂市歷市中心區榮盛晚清時期國際聯盟步行街6號樓1001
|
 |
|
 |
磁柵尺-磁柵尺磁頭 >> |
 |
磁頭磁性丈量體系MSK1000 |
Contactless measuring sensor unit with integrated translation module and digital signal output. In combination with the magnetic band MB100, the sensor forms an open, robust and linear measuring system with high resolution at a reading distance of 0,4mm. |
|
長處概覽 |
特色
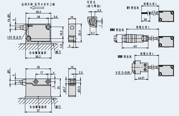
■ 分辯率達 0.2μm ■ 參數可經由過程紅外接口編程(比方:分辯率) ■ LED狀況燈 ■ 及時旌旗燈號處置 ■ 牢固或輪回參考點 ■ 堅忍的金屬外殼 |
|
| |
|
產物附件 ■ 婚配插頭 GS MagLine  |
| |
【前往】 |
|
|